Treffen 2026 in der Planung!


Hallo,

nach dem Treffen ist vor dem Treffen :)

Ich würde folgende Termin zur Abstimmung stellen:
10.07.2026 - 12.07.2026
17.07.2026.- 19.07.2026

Da die wenigsten von uns noch Schulpflichtige Kinder haben, sollte das ja passen.

Zur Terminabstimmung:
viewtopic.php?t=803

Gruß
Micha

Ort wie immer:
Weissehuette an der Weser oder jemand hat einen vergleichbaren Platz im Angebot: Eine große Wiese mit der Freiheit zu tun was man will.

Gruß
Micha

Tausch Ladegerät Victron Energy

Hier wollen wir über die verbauten Komponenten diskutieren.
Benutzeravatar
mkleim
Beiträge: 1248
Registriert: 04.05.2017, 17:40

Re: Tausch Ladegerät Victron Energy

Beitrag von mkleim »

Hallo Geri,

wenn ich mir dein oberes Bild anschaue ist es ziemlich ähnlich zu meinem Neuen.

Ich musste mir jetzt eine halbwegs vernünftige Grafik machen um Plus und Minus auch richtig zu zu ordnen. Das war zu schlampig bei den ersten Bildern. Da kam ich nicht mehr klar.
Du hast noch die Starterbatterie mit reingebaut, das werde ich aber wahrscheinlich doch weglassen.

In ein /zwei Wochen kriege ich die richtigen Kabel mit den richtigen Dimensionen und dann schraube ich alles noch mal um.

Also so viel ist es ja auch nicht, aber eben der Kreislauf war noch ein Eckenlauf. So wie oben sollte passen. Zum WR kommt noch eine Sicherung und ein Trennschalter, den habe ich noch vergessen einzuzeichnen.

Geri schrieb:
Dein Gedanke 2 Batterien im Aufbau zu trennen halte ich für falsch.
Habe ich auch verworfen inzwischen. Der Trennschalter ist jetzt noch ein kleines Sicherheitsfeature, aber den eigentlichen Gedanken habe ich auch verworfen. Das wird schon passen. Ich will ja nicht die ganze Nacht mit einem Schlagbohrer arbeiten.
*3 ist der Grund, warum der Verbrauch des WR nicht angezeigt werden kann, da Du vor dem Shunt abgreifst. Dieser muss auf (Load -) am Shunt *4.
Jepp, verstanden inzwischen

Die anderen Punkte sind auch soweit korrigiert.
Sicherungen baue ich lieber eine zu viel als zu wenig ein. Liegen jetzt ja hier rum, dann können sie auch ins Auto gebaut werden.

Ich habe jedenfalls gelernt:
Die zweite Batterie hat der ganzen Sache eine gewisse Dynamik verliehen, die ich vorher so nicht gedacht hätte.

Eine Batterie und die Sache ist nach einer Stunde fertig.
Durch das überwinden von Strecke, das einbauen einen Shunts, das bilden eines Batterieblocks und der Anschluss eines Wechselrichters ist doch dann eine sehr spannende Sache.

Ich habe jedenfalls bis jetzt viel gelernt und werde daraus auch noch eine Art Artikel machen. Ich baue gerade noch einen Blog auf. Da wird das hier ein Highlight Artikel.

Ich hoffe das auch viele andere die hier mitlesen, daraus lernen und etwas für eigene Projekte mitnehmen können.
Spaß macht es auf jeden Fall. Auch wenn es hinterher viel mehr Arbeit ist als vorher gedacht.
Und auch für den Kopf, nicht nur für die Arme.

Und:
DANKE an Alle

Gruß
Micha

Geri63
Beiträge: 44
Registriert: 03.09.2019, 16:02

Re: Tausch Ladegerät WR Batterie Bedarf

Beitrag von Geri63 »

Sieht schon besser aus.
Schau Dir das Thema mit den Messleitungen bitte noch mal an.
So wie Du es jetzt machen möchtest, misst Du 2 x das gleiche.
Die beiden PLUS (Aufbau und Starter) sind am EBL leicht zugänglich und wenn der Shunt direkt daneben sitzt in 5 Minuten angeschlossen.

Für die grundsätzlichen Überlegungen sollte man vorher generell den Bedarf klären. Hierzu eine einfache Tabelle anbei.
Mit dem Messshunt sieht man es ja wunderbar, oder auch mit einem Messgerät einmal die Verbraucher einzeln einschalten und den Strom messen.
Dann in die Tabelle eintragen, die Nutzungs- oder Einschalt- Zeiten abschätzen und dann hat man einen "Daumenwert" wieviel man benötigt und wie lange die Batterie(en) ausreichen.
Strombedarf Womo.xlsx
Strombedarf
(14.27 KiB) 732-mal heruntergeladen

Benutzeravatar
mkleim
Beiträge: 1248
Registriert: 04.05.2017, 17:40

Re: Tausch Ladegerät Victron Energy

Beitrag von mkleim »

Hi,

die zweite Messleitung ist schon verworfen.

Da ich ja die Starterbatterie nicht überwachen will, wird die zweite Messleitung auch verschwinden.

Danke für die Tabelle, ich glaube eine ähnliche hatte ich hier auch schon mal vor langer Zeit reingestellt.

Ich suche sie gleich mal.

Gefunden: Die war aber für Gewicht. Nicht für Strom :lol:

Die habe ich hier bei mir schon mal lokal auf dem Rechner gebastelt.

Gruß
Micha

Benutzeravatar
BlueSky
Beiträge: 254
Registriert: 17.09.2018, 20:49

Re: Tausch Ladegerät Victron Energy

Beitrag von BlueSky »

Moin Michael, eine Frage zum Betrieb - soweit du es getestet hast. Wann und wie oft geht der Lüfter an und wie laut ist das Geräusch dann?
Das "alte" Ladegerät (Lüfter) war schon recht laut.....
Ich konnte übrigens nicht widerstehen.....als ich das 12/30 (3) für 155€ im Netz sah, habe ich zugeschlagen.......
Grüße Jörg
mit einem Ahorn Camp 595

[IMG]http://images.spritmonitor.de/947048-1.png[/IMG]

Ich bin nur verantwortlich für das was ich schreibe, nicht für das was Du verstehst!

Benutzeravatar
mkleim
Beiträge: 1248
Registriert: 04.05.2017, 17:40

Re: Tausch Ladegerät Victron Energy

Beitrag von mkleim »

Hallo Jörg,
Wie oft der Lüfter von Ladegerät kann ich dir nicht sagen.
Das war noch nicht oft an Landstrom. Und dann ist es unten im Kasten. Das hören wir nicht, denke ich.
Zuhause bei den Tests haben ich auch keinen Lüfter gehört, ich denke der ist nicht so oft an, kann es aber nicht wirklich sagen bis jetzt.

Gruß
Micha

Geri63
Beiträge: 44
Registriert: 03.09.2019, 16:02

Re: Tausch Ladegerät Victron Energy

Beitrag von Geri63 »

Hallo,
das Victron Ladegerät hat normalerweise einen Nachtmodus (LOW) bei dem der Ladestrom reduziert wird und der Lüfter aus bleibt, nach 8 Stunden schaltet es autom. wieder auf "normal". Ist aber echt ein gutes Teil. Hab mir das Handbuch mal angeschaut. Hier gibt es ja auch einen extra Ausgang zum Laden der Starterbatterie. Gute Sache für die Ladungserhaltung im Winter. Und im Standard Xgo- EBL ist die Klemme (BM) ja super zugänglich.
Aber wenn ich das richtig gelesen habe teilt das LG die Gesamtleistung auf die Ausgänge auf. Wenn Du nur einen anschließt, lädt es mit ca. 15A auf 1 und 2. Auf der 3 (Starterbatterie liegt nur ein kleiner Ladungserhaltungsstrom an. So verstehe ich das HB.

Der Ective WR hat 2 Lüfter, die nur bei geringer und kurzer Last stumm bleiben. Bei Belastung über ca. 500W und vor allem länger als 1 Minute laufen die.
Finde ich aber nicht weiter schlimm, denn wenn der Fön oder die Kaffeemaschine läuft höre ich den WR nicht mehr ;-) und wenn der Verbraucher aus ist verstummt auch der WR. Bei mir sitzt der WR im Küchenschrank unter der Bodenplatte direkt über der Batterie und nahe am 230V Verteiler, so kann man den Ausgang sauber auf die Steckdose(n) verkabeln. Arbeitet aber sehr zuverlässig.

Benutzeravatar
BlueSky
Beiträge: 254
Registriert: 17.09.2018, 20:49

Re: Tausch Ladegerät Victron Energy

Beitrag von BlueSky »

Moin Geri,
danke für deine ausführlichen Betrachtungen.
Wo hast du das gelesen mit dem 3. Ausgang für die Starterbatterie? Konnte ich nirgends finden...
Grüße Jörg
mit einem Ahorn Camp 595

[IMG]http://images.spritmonitor.de/947048-1.png[/IMG]

Ich bin nur verantwortlich für das was ich schreibe, nicht für das was Du verstehst!

Geri63
Beiträge: 44
Registriert: 03.09.2019, 16:02

Re: Tausch Ladegerät Victron Energy

Beitrag von Geri63 »

Wenn man zwei Sachen gleichzeitig macht........ sollte man(n) nicht tun ;-)
Ich bin in das Datenblatt der Victron Phoenix- Baureihe gerutscht. (sieht ähnlich aus). Dort ist das so.

Bei diesem Gerät hier ist die Konfig. etwas anders.
Aber über die App kann man einiges voreinstellen, übrigens auch den Nachtmodus einfach per klick EIN und AUS.
Den 2. Ausgang könnte man aber auch für die Starter nehmen.
Den Lagerungs- Modus finde ich halt sehr interessant. Für längere Standzeiten (Winter). Vor allem für Blei Batterien ist das sehr wichtig und die Standard eingebauten Ladegeräte "stressen" die Batterie halt mehr. (Das war hier im Forum schon öfter Thema wegen defekter Batterien).
Bei Lithium spielt das weniger eine Rolle weil die Selbstentladung deutlich geringer ist, die kann man nach Ladung ein paar Monate in Ruhe lassen ;-).
Bei Blei muss man am besten immer noch das Datenblatt der Batterie heranziehen.

Die von Micha eingebaute ist eine C100 /100AH bzw. C20 /80Ah. Bedeutet sie kann 100h lang 1A abgeben bzw. 20h lang 4A.
Dann ist sie aber LEER und das sollte man nicht tun. Max. 50% entnehmen! Damit halbieren sich die Zeiten, oder 2 Batterien nehmen (so wie in diesem Fall) und dann stimmt der Wert wieder (und man hat das ein oder andere A Reserve). Aber nicht übertreiben, das geht auf die Lebensdauer (Ladezyklen).

Hier der Link zum Datenblatt (PDF ist zu groß):
https://www.victronenergy.com/upload/do ... 1616419661

Benutzeravatar
mkleim
Beiträge: 1248
Registriert: 04.05.2017, 17:40

Re: Tausch Ladegerät Victron Energy

Beitrag von mkleim »

Hallo,

es ist nun vollbracht.

Alles drin, alles geht.
eine finale Sicherung muss ich noch nachrüsten, aber das tut der Sache erst mal keinen Abbruch.

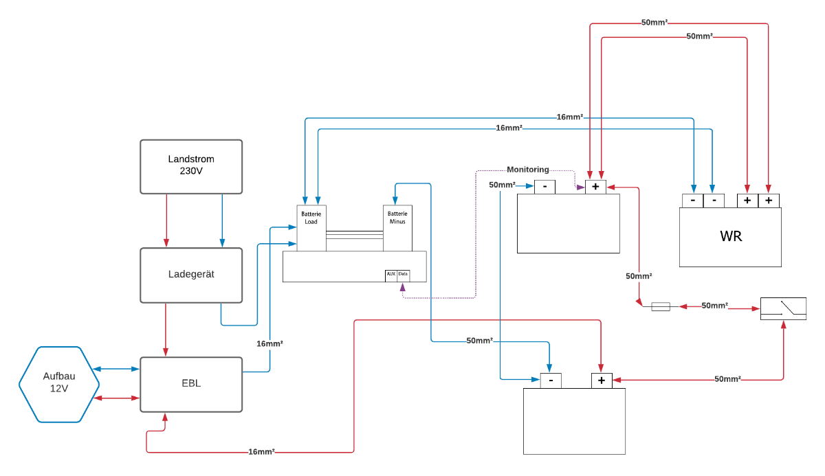
Nach diesem Schema ist es nun aufgebaut:
Batterie.png
Einzig die Minus Kabel vom WR zum Shunt habe ich jetzt mit 16mm² versehen und bin damit innerhalb der von Ective vorgesehenen Spezifikation.
50mm² hätte ich nicht verlegen können. Es ist so schon mit den ganzen Kabeln in Schläuchen enger geworden als gedacht.

IMG_20210403_164459.jpg
IMG_20210403_164459.jpg (40.93 KiB) 11089 mal betrachtet
Da kommt noch eine Sicherung dran an die Pluskabel. Muss ich aber noch bestellen. Und auch bitte nicht über Farben der Kabel meckern. Ich habe jetzt die genommen, die passend konfektioniert waren.
IMG_20210403_164517.jpg
IMG_20210403_164517.jpg (62.71 KiB) 11089 mal betrachtet
Jetzt auch, wie zurecht angemerkt, die Kabel doppelt nach Anleitung.
IMG_20210403_164521.jpg
IMG_20210403_164521.jpg (54.18 KiB) 11089 mal betrachtet
Da geht´s raus

IMG_20210403_164538.jpg
IMG_20210403_164538.jpg (21.9 KiB) 11089 mal betrachtet
da geht´s rein
IMG_20210403_164603.jpg
IMG_20210403_164603.jpg (32.49 KiB) 11089 mal betrachtet
Da kommen sie in den Stromkasten rein

IMG_20210403_164555.jpg
IMG_20210403_164555.jpg (25.56 KiB) 11089 mal betrachtet
Alles Minus schön am Shunt verkabelt

IMG_20210403_164629.jpg
IMG_20210403_164629.jpg (50.8 KiB) 11089 mal betrachtet
Und auch das positive im Leben schön befestigt.

Damit lässt sich sagen:
Verdammt viel Arbeit, aber es ist jetzt fertig.

Die ersten Kaffee wurden bereits gekocht, der Strom auf´s Watt genau kontrolliert, den Ladestand immer im Blick. So soll es sein.

Jetzt bin ich auf weitere Manöverkritik gespannt.
Und wie schon mal geschrieben irgendwo: Bitte auch das Negative schonungslos erwähnen.
Nur dadurch lerne ich dazu und damit vielleicht auch jemand der sich das anschaut.

Gruß
Micha

Geri63
Beiträge: 44
Registriert: 03.09.2019, 16:02

Re: Tausch Ladegerät Victron Energy

Beitrag von Geri63 »

Hallo Micha,
sieht doch ganz gut aus. :!:
Die Farben tun dem Fachmann etwas weh im Auge ;-)
Tut der Funktion natürlich keinen Abbruch (richtige Leitung und vor allem richtig verpresste Kabelschuhe sind wichtiger).
Wenn Du aber irgendwann mal Lust und Laune hast (und das Wetter besser ist :-(), dann kannst Du ja zumindest an den Enden noch die passende Farbe mit Isolierband oder Schrumpfschlauch drüber machen. (Falls Du das FZ mal weiter gibst, blickt dann jeder besser durch)

Ideal wäre noch gewesen, wenn Du die Ladeleitung + und - auch über Kreuz anschließt (verhält sich wie beim WR (Verbraucher) nur umgekehrt).
(Gleichmäßiges Laden der beiden Batterien).

Die Batteriekontrolle der Starterbatterie hatte ich Dir ja schon ans Herz gelegt. Ist auch in deinem Fall ganz einfach zu realisieren (wie beschrieben).
Aber wenn Du die Funktion nicht nutzen möchtest, ist das natürlich Deine Entscheidung.

Zu dem Trenn- Schalter hatte ich ja schon was geschrieben......

Aber 2 Fragen habe ich noch aus eigenem Interesse:
1. Welche Kaffeemaschine verwendest Du? bzw. wieviel Watt hat die?

2. Das Original Ladegerät hat ja den 3. Pol als Präsenzmeldung (Landstrom liegt an) der dann am Display mit dem Steckersymbol angezeigt wird.
Hast Du den weg gelassen, oder auf einen Ausgang am LG aufgelegt? (Kann ich auf dem Foto nicht so genau sehen).
Oder verzichtest Du auf die Anzeige?

Danke vorab und viel Spaß mit der Anlage.

Antworten